• BTS 80 dormakaba 德國多瑪地鉸鍊

BTS 80 dormakaba 德國多瑪地鉸鍊

型號 : BTS 80 dormakaba

EN3 EN4 EN6


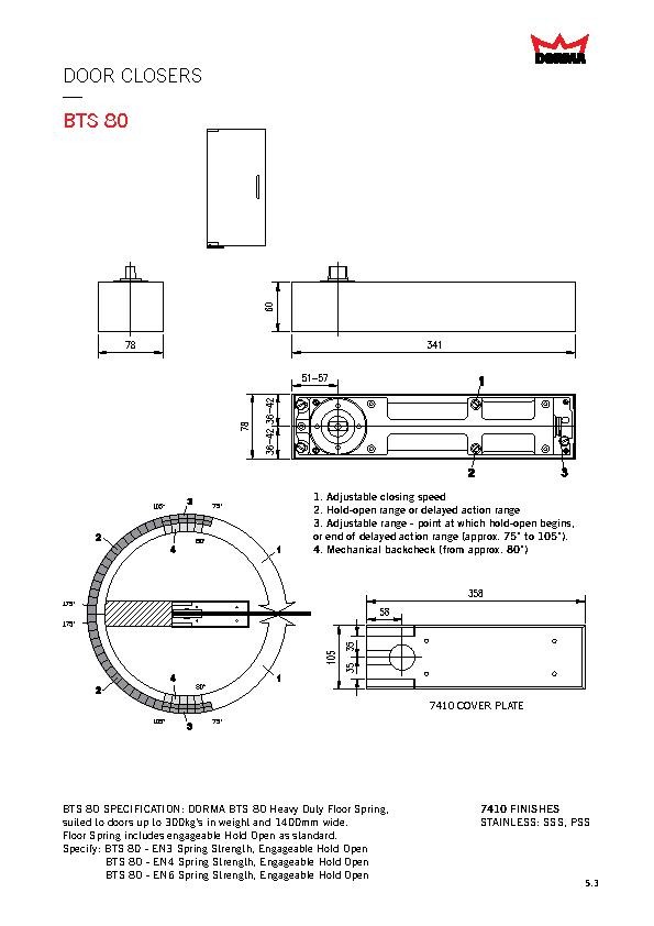
無極式調節關門速度(175度- 0度)

可調式液壓定位,可在定位段內任意選定定位

最大門重:300kg

最大門寬:1,400mm


  • 緩衝功能:機械緩衝裝置能降低因開門力量過大而造成門扇及牆壁損壞的可能
  • 延遲關門功能:利用調整閥調整延遲關門功能,門扇會停留在開啟狀態一段時間後才關閉,方便殘障人士或貨物搬運人員等輕鬆通行。



bts-80.jpg

根據 DIN EN 1154 對於單開門和雙開門的標準,常用的無區分左、又向開啟的地鉸鍊適用門扇,最重可達300kg。

利用全程關門液壓控制和緩衝作用,可調關門速度和關門效果約於175度開始作用。

可定位於75度至175度之間任何角度,並隨時改變定位角度。(在75度至105度之間厚)

可調整延遲關門功能。含底座。

尺寸 EN 3 EN 4 EN 6



配件 軸心 標準 表面材厚度(mm) 特殊型號 通用蓋板(1.5mm)

尺寸
EN  3      EN  4        

EN  6                                

                                                                                                                                                                           
配件 軸心 標準 表面材厚度(mm) 特殊型號 通用蓋板(1.5mm) 不銹鋼 黃銅 密封劑

無論左開門、右開門、單開門、雙開門,DORMA BTS 90地鉸鍊都可對應各種門寬、大小及使用方法、功能齊全,同時兼具安全可靠性。

DORMA BTS 80地鉸鍊同時配有一系列相應配件,可全面解決門扇安裝和表面材覆蓋問題。


  1. 產品優點:對於建築師設計師供料規劃人員
  • 隱藏式安裝、設計美觀。
  • 主要功能齊全
  • BTS 80 可乘載門扇重量達300kg

      2.對於使用者


  • 恆溫裝置確保關門速度穩定。
  • 高效性能,提供絕佳使用者體驗。
      3.對於五金經銷商



  • 可更換式軸心,減少庫存堆積。
  • 各種產品功能一應俱全,滿足顧客需求。
       4.對於安裝師傅



  • 適合佐開門、右開門、單開門、雙開門。
  • 可更換式軸心,適合不同安裝條件



相關產品

進口地鉸鍊  GEZE TS-550NV

進口地鉸鍊 GEZE TS-550NV

BTS-75V dormakaba 德國多瑪地鉸鍊

BTS-75V dormakaba 德國多瑪地鉸鍊

BTS-75R dormakaba德國多瑪地鉸鍊

BTS-75R dormakaba德國多瑪地鉸鍊

dormakaba BTS 62T\63T德國多瑪 地鉸鍊

dormakaba BTS 62T\63T德國多瑪 地鉸鍊

BONCO CF-S583免挖孔地鉸鍊

BONCO CF-S583免挖孔地鉸鍊