力誠五金有限公司
產品介紹
水平把手
LC水平把手系列
BONCO水平把手系列
dormakaba水平把手系列
EVER水平把手系列
Linnea Cail水平把手系列
Kolmair水平把手系列
KAWAJUN水平把手系列
Olivari水平把手系列
地鉸鏈
門弓器
dormakaba系列
BONCO系列
Yale系列
GEZE系列
加安牌系列
輔助鎖
LC輔助鎖系列
LC勾鎖系列
LC半邊鎖系列
LC白鐵指示鎖系列
LC十字暗鎖系列
BONCO輔助鎖系列
BONCO半邊鎖系列
BONCO拉門勾鎖系列
MIWA輔助鎖系列
地鎖MIWA系列
KAWAJUN拉門鎖系列
KAWAJUN表示壓鎖
鉸鍊
西德鉸鍊系列
LAMP鉸鍊系列
油壓鉸鍊系列
十字暗鉸鍊系列
OTLAV系列
ARGO系列
LC系列
SIMONSWERK系列
蝴蝶鉸鍊系列
上下鋁框門系列
自動回關鉸鍊系列
水平鎖
BONCO水平鎖系列
EVER水平鎖系列
門擋
LC門擋系列
BONCO門擋系列
KAWAJUN門擋系列
ARGO門擋系列
下門止系列
FANTOM土撥鼠門檔系列
拉門五金
義大利VILLES系列
LAMP系列
Nitto系列
瑞士HAWA 系列
MURAKOSH系列
懸浮門拉門ATIM系列
萬向活動隔間LC系列
抽屜滑軌
拍門器
櫥櫃&抽屜&拉門把手
BONCO櫥櫃把手系列
LC櫥櫃把手系列
BONCO衣勾
門上五金
撐桿
LAMP撐桿系列
STABILUS油壓撐桿系列
SUSPA撐桿系列
BONCO鎖匣系列
BONCO鎖心系列
dormakaba鎖匣系列
KAWAJUM鎖匣
龍吐珠
LAMP系列
櫥櫃密碼鎖系列
AGB鎖匣系列
門縫條
玻璃五金
dormakaba玻璃鉸鍊系列
BONCO玻璃鉸鍊系列
dormakaba玻璃夾具系列
毛巾桿把手
KAWAJUN玻璃鉸鍊系列
大把手
功能性五金
隔板條
出線孔\盒
櫃內五金
功能衣架系列
衣桿系列
經典櫃內緩衝收納系列
旋轉鞋架
重柱
KAWAJUN單排重柱系列
KAWAJUN雙排重柱系列
KAWAJUN架手系列
KAWAJUN配件系列
崁入型把手
LC崁入式把手系列
BONCO崁入式把手系列
KAWAJUN崁入把手系列
智慧電子鎖
自動門機
水槽
排水槽
品牌介紹
King Slide
BaSys
Blum
BONCO
Dormakaba(原版)
dormakaba
GEZE
HAWA
KAWAJUN
服務介紹
熱門產品
常見問題
Q1若門弓器或地鉸鍊發生故障,是否能安排技術人員至現場進行維修?
Q2請問該如何確認我目前所使用的地鉸鍊型號?
Q3選擇地鉸鍊或門弓器型號時,應考量哪些條件,才能挑選出最適合的款式?
Q4如何選擇自動門機型號?
Q5 dormakaba產品在臺灣官方保固期限是多久?
最新消息
技術文章
建築五金行選購指南:產品類型、用途與規格比較
聯絡我們
繁體中文
首頁
產品介紹
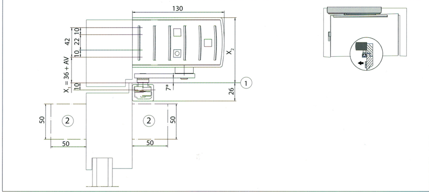
自動門機
GEZE POWERTURN
GEZE POWERTURN
產品敘述
規格
相關產品
GEZG EC TURN
型號 : GEZG EC TURN
進口橫拉式雙開自動開門機dormakaba-ES-200
型號 : dormakaba-ES-200
進口橫拉式磁浮機門dormakaba CS 80 MAGNEO
型號 : dormakaba CS 80 MAGNEO
ED 250 & ED 100-automatics swinger 推拉式自動弓器器
型號 : ED 250 & ED 100-automatics swinger